YCM20系列塑料外壳式断路器(以下简称断路器),额定绝缘电压690V,适用于交流50Hz,额定工作电压380V,其额定电流从16A至1250A.一般作为配电用,其中Y、J、G型的额定电流225A和Y型400A的断路器亦可作为保护电动机用。在正常情况下,断路器可作为线路不频繁转换及电动机的不频繁启动之用。
YCM20系列塑料外壳式断路器(以下简称断路器),额定绝缘电压690V,适用于交流50Hz,额定工作电压380V,其额定电流从16A至1250A.一般作为配电用,其中Y、J、G型的额定电流225A和Y型400A的断路器亦可作为保护电动机用。在正常情况下,断路器可作为线路不频繁转换及电动机的不频繁启动之用。
配电用断路器,在配电网络中用来分配电能,且可作为线路及电源设备的过载,短路和欠电压保护。
保护电动机用断路器在配电网络中作笼型异步电动机的起动和运转中分断以及作为笼型异步电动机的过载、短路和欠电压保护。
产品符合标准:IEC60947-2、GB/T14048.2、JB/T8589-2006。
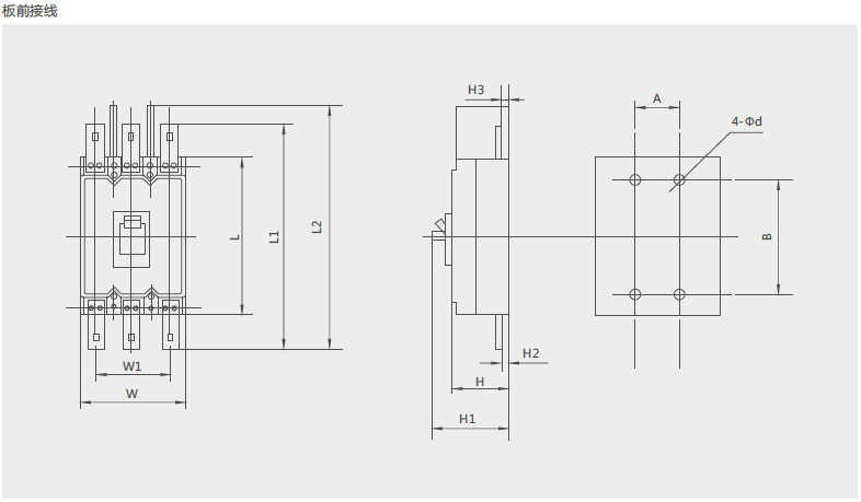
1.壳架等级100A,225(250)A断路器,每组辅助触头为一常开,一常闭,其余断路器每组由二常开,二常闭触头组成。
2.除1250Y无直流欠电压脱扣器外,其余等级的断路器均有欠电压脱扣器和分励脱扣器。
其电压规格交流有220V、380V,直流有110V、220V共四种。
3.报警触头均为一常开、二常闭触头。
4.壳架等级100A中无248、258、278、358、378的规格,225A中无258和358规格。
5.断路器的额定值




官方公众号
手机官网
浙公网安备 33038202003869号 统计